Tilaajille

Uusi ku­va­kul­ma Ro­va­nie­men jääon­gel­miin: Suo­ma­lai­nen eri­kois­sa­tel­liit­ti pal­jas­taa, minne Ke­mi­joen tu­kok­set syn­tyi­vät – katso ava­ruu­des­ta otetut kuvat

Lapin kevättulvista voidaan tehdä aiempaa tarkempia ennusteita uudella tekniikalla.

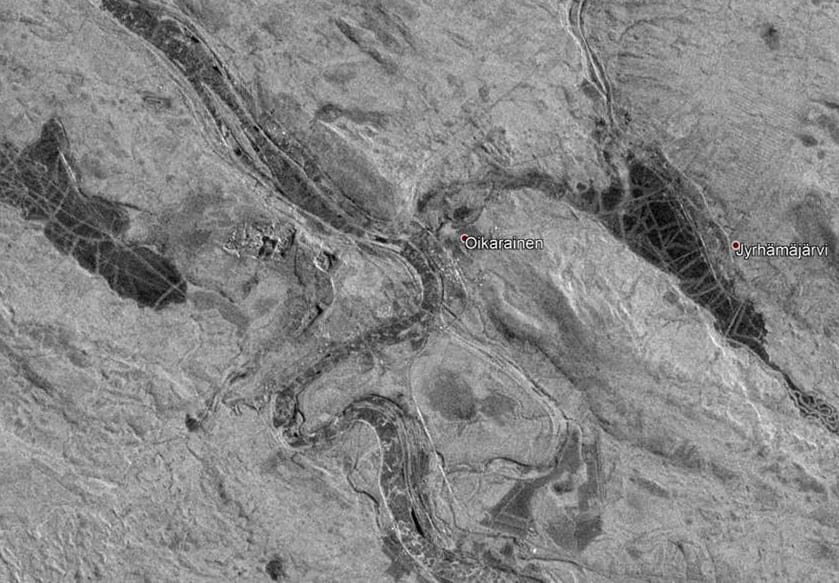
500 kilometrin korkeudesta otetut satelliittikuvat paljastavat, minne jäät ovat patoutuneet Kemijoella.

-

Ensimmäisestä kuvassa kuvan keskellä olevassa Sieriniemen ympäristössä Kemijoki on harmahtava.

– Siellä on jääkantta ja tilanne on hyvä, Kemijoki Oy:n käyttöpäällikkö Heikki Poikela kertoo.

-
Kuva: Iceye

Sitten kuvissa alkaakin näkyä ongelmien syitä.

Ennen Koskenkylää Olkkakosken kohdalla on paksua valkoista väriä, eli siellä jäät ovat patoutuneet.

Tarjous vain nyt

Saat digin _maksutta_ 2 viikkoa

Mainos
Lapin Kansan pelit

Pelaa Lapin Kansan digitaalisia pelejä

Aivojumppaa tai rentoa ajanvietettä – tutustu peleihin ja löydä suosikkisi

Aloita pelaaminen
Ilmoita asiavirheestä